FK3G310-4APK-60
| Nominal Voltage | VAC | 380 |
| Current draw | A | 1.25±10% |
| Speed(RPM) | min-1 | 2700±5% |
| Power consumption | W | 790±10% |
| Max. Air Flow | CFM / m3 /H | 2354/4000 |
| Max. Static Pressure | In.wg /Pa | 4.0/1000 |
MOQ:5pcs
Brief Description
The FK3G310-4APK-60 is a high-power, high-static-pressure EC backward centrifugal fan designed for industrial ventilation and cooling systems. This fan utilizes a three-phase brushless DC motor with a rated voltage of 380VAC, supports 0–10VDC and PWM speed control, delivers a maximum airflow of 4000 m³/h and a maximum static pressure of 1000 Pa, and features an IP54 protection rating, making it suitable for demanding industrial environments.
Product Specification
The FK3G310-4APK-60 is a high-performance EC backward centrifugal fan equipped with a support bracket, featuring a three-phase brushless DC external rotor motor (Model BLEC102) with a rated voltage of 380VAC, supporting a wide input voltage range of 304–456VAC and 50/60Hz mains frequency. It delivers a maximum airflow of 4000 m³/h and a maximum static pressure of 1000 Pa, operating at 2700±5% RPM with a power consumption of 790W and a sound pressure level of 84 dB(A). The fan incorporates comprehensive electrical protection functions, including current limitation, soft start, over/under voltage protection, thermal overload protection for electronics and motor, locked-rotor protection, and reverse polarity protection, ensuring stable operation under harsh conditions. Mechanically, it employs a glass-fiber reinforced plastic impeller and a die-cast aluminum end cover, with a 310mm diameter impeller and seven blades, supporting installation in any orientation, and a total weight of approximately 3600g (including inlet). The fan has an IP54 protection rating, a design life of 50,000 hours (L10 at 40°C ambient temperature), and complies with international standards such as CE, RoHS, ISO9001, and ErP 2015. For control and communication, it supports 0–10VDC and PWM (1–10kHz) speed adjustment, provides an FG speed feedback signal (3 pulses per revolution), and offers an optional RS485 interface for Modbus communication, making it ideal for high-static-pressure, high-airflow applications such as industrial plant ventilation, large equipment cooling, drying systems, and environmental protection equipment.
Nominal Data
| EC Backward Centrifugal Fans with support bracket | ![]() |
|
| Type | FK3G310-4APK-60 | |
| Model | BLEC102 | |
| Phase | ~ | 3~ |
| Nominal Voltage | VAC | 380 |
| Voltage range | VAC | 304V~456V |
| Frequency | Hz | 50/60 |
| Current draw | A | 1.25±10% |
| Speed(RPM) | min-1 | 2700±5% |
| Power consumption | W | 790±10% |
| Sound Pressure Level | dB(A) | 84±5% |
| Max. Air Flow | CFM / m3 /H | 2354/4000 |
| Max. Static Pressure | In.wg /Pa | 4.0/1000 |
| Insulation class | ~ | Class B |
| Degree of protection | ~ | IP54 |
| Control Input | ~ | 0~10VDC / PWM/Modbus-485 |
| Signal Output | ~ | FG (Tach output ) |
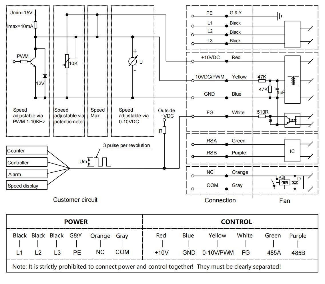
Connection diagram

Remarks:
Ⅰ. Standard cable length Refer to the figure below. The length of cable can be customized
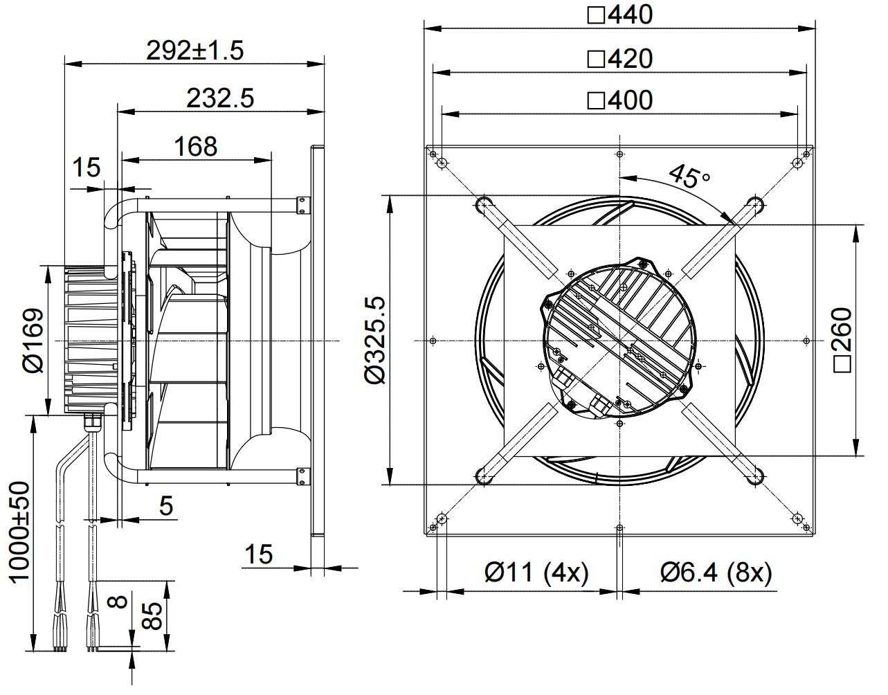
Product drawing

Aerodynamic Performance Charts

Test condition:
Ⅰ.The test data is obtained under the specified environment conditions and installation mode
Ⅱ.Input Voltage---Operating voltage
Ⅲ.Temperature---Room temperature 25℃
Ⅴ.Humidity---65%RH
Safety Requirements
Ⅰ.When taking out the fan, do not directly lift the fan lead wire. If the lead wire is excessively stressed, the internal welding part may fall off
Ⅱ.Do not plug or unplug the fan lead plug when the fan is running
Ⅲ.If the fan does not work after starting, do not touch the impeller, rotor, or other parts, professional technical personnel are required to inspect the fan to prevent sudden start of the fan from causing hand or other personal injury
Ⅳ.The power line and control line of the fan cannot be connected in reverse, otherwise it will burn out
Ⅴ.Because of the soft start characteristics of the fan, to prevent personal injury, do not touch the impeller or other parts of the fan during powered on or running at low speeds
Ⅵ.The fan needs to be operated and used under the guidance of professional personnel to prevent children from coming into touch this product
Ⅶ.If the power line is worn or damaged, it needs to be returned to the manufacturer for repair or be replaced under the guidance of the manufacturer
Advantages:
1. High Efficiency: Our centrifugal fans are capable of delivering high airflow rates and pressure while minimizing energy consumption, ensuring optimal performance and efficiency.
2. Low Noise: Employing advanced fluid dynamics technology to adjust blade angles for high airflow while minimizing noise levels
3. Wide Application Range: Suitable for a diverse range of industries and environments, including industrial ventilation, HVAC systems, agriculture, construction, automotive, and more, offering flexible customized solutions (OEM/ODM).
4. Sustainable Development: Our fans are designed with energy-saving and environmentally friendly features. Utilizing new materials such as fiberglass-reinforced plastic, they meet eco-friendly energy requirements, withstand harsh working conditions, and provide long-term reliability.
5. Easy Installation and Maintenance: Equipped with installation grilles and duct mounting options, our fans feature user-friendly designs and easily maintainable components, facilitating hassle-free maintenance.
FAQ
Q1:What kind of payments do you support?
A1: For sample order, 100% payment in advance; For batch order, 30% in advance and 70% will be paid before shipping
Q2.Will you provide samples?
A2: Sample is available and can be delivered within 10days
Q3:How can I choose a more suitable model?
A3: We need the information like fan type, quantity, size, material, voltage, air flow and static pressure.
Q4:How can I place the order?
A4: Usually quote you within 24 hours after we get your inquiry. First sign the PI,pay deposit,then we will arrange the production.After finished production need you pay balance. Finally we will ship the Goods.
Q5:About transportation
A5: All available shipping ways could be applied, express shipping, air or sea. Appointed shipping company or our own forwarders all could be used in shipment. Full-way tracking the cargos for you before the goods arrive.
Q6:How long is the warranty period?
A6: We currently offer 3-year quality guarantee for our own products, and in response to current product problems, our company provides line support, and some customers have been able to improve their products.