FB3G400-2APK-20
| Nominal Voltage | VAC | 230 |
| Current draw | A | 2.2±10% |
| Speed(RPM) | min-1 | 1500±5% |
| Power consumption | W | 500±10% |
| Max. Air Flow | CFM / m3 /H | 3386.82/5755 |
| Max. Static Pressure | In.wg /Pa |
3.14/785 |
MOQ: 5pcs
Brief Description
The FB3G400-2APK-20 is a high-efficiency, large-airflow EC backward centrifugal fan designed for industrial ventilation and system cooling. Operating on single-phase 230VAC with a wide input voltage range, it combines high airflow and static pressure output with comprehensive speed control and communication interfaces, making it suitable for integration into medium to large ventilation systems.
Product Specification
The FB3G400-2APK-20 is an EC backward centrifugal fan equipped with a BLEC102 external rotor motor, rated for single-phase 230VAC operation with an input range of 184–270VAC and compatibility with 50/60Hz mains power. It delivers a maximum airflow of 5755 m³/h and a maximum static pressure of 785 Pa, operating at 1500±5% RPM with a power consumption of 500W and a sound pressure level of 80 dB(A), offering a balance between strong ventilation performance and energy efficiency. Electrically, it includes a +10VDC output for speed control or signal pull-up, features a dielectric withstand voltage of 1800VAC, and maintains leakage current below 3.5mA, while integrating multiple safety protections such as soft start, over/under voltage, locked-rotor, thermal overload, and reverse polarity protection. Its mechanical construction utilizes a glass-fiber reinforced plastic impeller and a die-cast aluminum end cover, with a 400mm diameter impeller and seven blades, total weight approximately 4800g (including inlet), supports installation in any orientation, and carries an IP54 protection rating for reliable operation in environments from -25℃ to 60℃. For control and communication, it supports both 0–10VDC analog and PWM (1–10kHz) digital speed adjustment, provides an FG tachometer output (3 pulses per revolution), and includes an RS485 interface for Modbus protocol, facilitating system integration and remote monitoring. The product complies with international certifications including CE, RoHS, ISO9001, and ErP, and is well-suited for medium to large industrial ventilation, air handling units, heat recovery systems, and process cooling applications.
Nominal Data
| EC Backward Centrifugal Fans | ![]() |
|
| Type | FB3G400-2APK-20 | |
| Model | BLEC102 | |
| Phase | ~ | 1~ |
| Nominal Voltage | VAC | 230 |
| Nominal voltage range | VAC | 184~270 |
| Frequency | Hz | 50/60 |
| Current draw | A | 2.2±10% |
| Speed(RPM) | min-1 | 1500±5% |
| Power consumption | W | 500±10% |
| Sound Pressure Level | dB(A) | 80±5% |
| Max. Air Flow | CFM / m3 /H | 3386.82/5755 |
| Max. Static Pressure | In.wg /Pa | 3.14/785 |
| Insulation class | ~ | Class B |
| Degree of protection | ~ | IP54 |
| Control Input | ~ | 0~10VDC / PWM |
| Signal Output | ~ | FG (Tach output ) |
Connection diagram

Remarks:
Ⅰ. Standard power cable length Refer to the figure below. The power cable can be customized
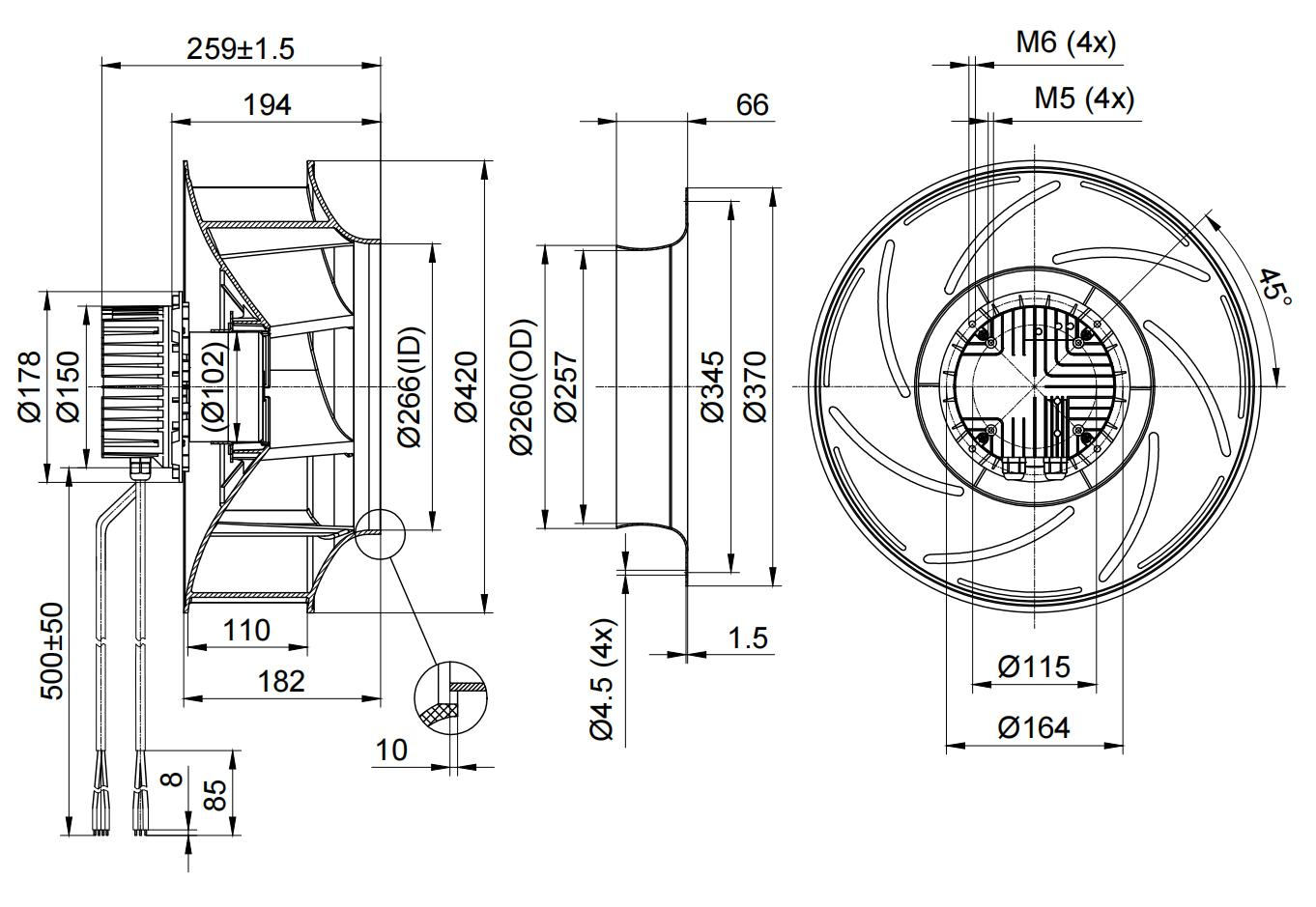
Product drawing

Aerodynamic Performance Charts

Test condition:
Ⅰ.The test data is obtained under the specified environment conditions and installation mode
Ⅱ.Input Voltage---Operating voltage
Ⅲ.Temperature---Room temperature
Safety Requirements
Ⅰ.When taking out the fan, do not directly lift the fan lead. If the lead is excessively stressed, the internal welding part may fall off.
Ⅱ.Do not plug or unplug the fan lead plug when the fan is running.
Ⅲ.If the fan does not work after starting, do not touch the impeller, rotor, or other parts, professional technical personnel are required to inspect the fan to prevent sudden start of the fan from causing hand or other personal injury
Ⅳ.The strong current power line and weak point control line of the fan cannot be connected in reverse, otherwise it will burn out the fan.
Ⅴ.Because of the soft start characteristics of the fan, to prevent personal injury, do not touch the impeller or other parts of the fan during powered on or running at low speeds.
Ⅵ.The fan needs to be operated and used under the guidance of professional personnel to prevent children from coming into contact with this product.
Ⅶ.If the power cord is worn or damaged, it needs to be returned to the factory for repair or be replaced under the guidance of the manufacturer
Ⅷ.As a part of the fan, it is not recommended to use the motor alone when there is no impeller or load.
Ⅸ.Please read this technical manual carefully before using it.
1. High Efficiency: Our centrifugal fans are capable of delivering high airflow rates and pressure while minimizing energy consumption, ensuring optimal performance and efficiency.
2. Low Noise: Employing advanced fluid dynamics technology to adjust blade angles for high airflow while minimizing noise levels
3. Wide Application Range: Suitable for a diverse range of industries and environments, including industrial ventilation, HVAC systems, agriculture, construction, automotive, and more, offering flexible customized solutions (OEM/ODM).
4. Sustainable Development: Our fans are designed with energy-saving and environmentally friendly features. Utilizing new materials such as fiberglass-reinforced plastic, they meet eco-friendly energy requirements, withstand harsh working conditions, and provide long-term reliability.
5. Easy Installation and Maintenance: Equipped with installation grilles and duct mounting options, our fans feature user-friendly designs and easily maintainable components, facilitating hassle-free maintenance.
FAQ
Q1:What kind of payments do you support?
A1: For sample order, 100% payment in advance; For batch order, 30% in advance and 70% will be paid before shipping
Q2.Will you provide samples?
A2: Sample is available and can be delivered within 10days
Q3:How can I choose a more suitable model?
A3: We need the information like fan type, quantity, size, material, voltage, air flow and static pressure.
Q4:How can I place the order?
A4: Usually quote you within 24 hours after we get your inquiry. First sign the PI,pay deposit,then we will arrange the production.After finished production need you pay balance. Finally we will ship the Goods.
Q5:About transportation
A5: All available shipping ways could be applied, express shipping, air or sea. Appointed shipping company or our own forwarders all could be used in shipment. Full-way tracking the cargos for you before the goods arrive.
Q6:How long is the warranty period?
A6: We currently offer 3-year quality guarantee for our own products, and in response to current product problems, our company provides line support, and some customers have been able to improve their products.