FD3G146-2AGP-90
| Nominal Voltage | VAC | 230 |
| Current draw | A | 1.65±10% |
| Speed(RPM) | min-1 | 1750±5% |
| Power consumption | W | 230±10% |
| Max. Air Flow | CFM / m3 /H | 910.41/1547 |
| Max. Static Pressure | In.wg /Pa | 2.08/519 |
20pcs
Brief Description
The FD3G146-2AGP-90 is an EC dual-inlet centrifugal fan equipped with an external control interface, allowing flexible speed regulation and system integration via external control boards. Operating on 230VAC, it delivers an airflow of up to 1547 m³/h and a static pressure of 519Pa. It accepts both 0–10VDC and PWM control signals and provides an FG tachometer output for real-time monitoring. The built-in +10VDC reference voltage output can be used directly for signal pull-up or as a speed control reference in external circuits, simplifying system design. Suitable for ventilation, cooling, and industrial equipment requiring external control systems.
Product Specification
This fan uses an external rotor EC motor with a galvanized steel impeller for robust construction. Electrically, in addition to the main power terminals (L/N/PE), it provides a control interface consisting of +10VDC output, speed control input, and FG signal lines, allowing direct connection to external control boards. Users can achieve stepless speed control via external potentiometers, PWM generators, or PLC analog outputs, with PWM frequency support from 1 to 10 kHz. The fan incorporates soft-start, over/under voltage, locked-rotor, and reverse polarity protection to ensure reliable operation when integrated with external controllers. Mechanically, it supports installation in any orientation, features IP44 protection, and operates within a temperature range of -25℃ to 60℃. Compliant with CE, RoHS, and ErP standards, it is ideal for medium-to-high pressure air cooling systems that require centralized external control.
Nominal Date
| EC Dual inlet Centrifugal Fan | ![]() |
|
| Type | FD3G146-2AGP-90 | |
| Model | BLEC92 | |
| Phase | ~ | 1~ |
| Nominal Voltage | VAC | 230 |
| Voltage range | VAC | 184~270 |
| Frequency | Hz | 50/60 |
| Current draw | A | 1.65±10% |
| Speed(RPM) | min-1 | 1750±5% |
| Power consumption | W | 230±10% |
| Sound Pressure Level | dB(A) | 74±5% |
| Max. Air Flow | CFM / m3 /H | 910.41/1547 |
| Max. Static Pressure | In.wg /Pa | 2.08/519 |
| Insulation class | ~ | Class B |
| Degree of protection | ~ | IP44 |
| Control Input | ~ | 0~10VDC / PWM |
| Signal Output | ~ | FG (Tach output ) |
Connection diagram

Remarks:
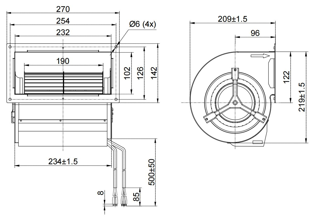
Ⅰ. Standard cable length Refer to the figure below. The length of cable can be customized
Ⅱ. Conventional mode is 0-10V/PWM control, can optionally replace the communication protocol, detailed communication protocol, please contact technical personnel


Test condition:
Ⅰ.The test data is obtained under the specified environment conditions and installation mode
Ⅱ.Input Voltage---Operating voltage
Ⅲ.Temperature---Room temperature 25℃
Ⅴ.Humidity---65%RH
Ⅰ.When taking out the fan, do not directly lift the fan lead wire. If the lead wire is excessively stressed, the internal welding part may fall off
Ⅱ.Do not plug or unplug the fan lead plug when the fan is running
Ⅲ.If the fan does not work after starting, do not touch the impeller, rotor, or other parts, professional technical personnel are required to inspect the fan to prevent sudden start of the fan from causing hand or other personal injury
Ⅳ.The power line and control line of the fan cannot be connected in reverse, otherwise it will burn out
Ⅴ.Because of the soft start characteristics of the fan, to prevent personal injury, do not touch the impeller or other parts of the fan during powered on or running at low speeds
Ⅵ.The fan needs to be operated and used under the guidance of professional personnel to prevent children from coming into touch this product
Ⅶ.If the power line is worn or damaged, it needs to be returned to the manufacturer for repair or be replaced under the guidance of the manufacturer
Ⅷ.As a part of the fan, it is not recommended to use the motor alone when there is no impeller or loading
1. High Efficiency: Our centrifugal fans are capable of delivering high airflow rates and pressure while minimizing energy consumption, ensuring optimal performance and efficiency.
2. Low Noise: Employing advanced fluid dynamics technology to adjust blade angles for high airflow while minimizing noise levels
3. Wide Application Range: Suitable for a diverse range of industries and environments, including industrial ventilation, HVAC systems, agriculture, construction, automotive, and more, offering flexible customized solutions (OEM/ODM).
4. Sustainable Development: Our fans are designed with energy-saving and environmentally friendly features. Utilizing new materials such as fiberglass-reinforced plastic, they meet eco-friendly energy requirements, withstand harsh working conditions, and provide long-term reliability.
5. Easy Installation and Maintenance: Equipped with installation grilles and duct mounting options, our fans feature user-friendly designs and easily maintainable components, facilitating hassle-free maintenance.
FAQ
Q1:What kind of payments do you support?
A1: For sample order, 100% payment in advance; For batch order, 30% in advance and 70% will be paid before shipping
Q2.Will you provide samples?
A2: Sample is available and can be delivered within 10days
Q3:How can I choose a more suitable model?
A3: We need the information like fan type, quantity, size, material, voltage, air flow and static pressure.
Q4:How can I place the order?
A4: Usually quote you within 24 hours after we get your inquiry. First sign the PI,pay deposit,then we will arrange the production.After finished production need you pay balance. Finally we will ship the Goods.
Q5:About transportation
A5: All available shipping ways could be applied, express shipping, air or sea. Appointed shipping company or our own forwarders all could be used in shipment. Full-way tracking the cargos for you before the goods arrive.
Q6:How long is the warranty period?
A6: We currently offer 3-year quality guarantee for our own products, and in response to current product problems, our company provides line support, and some customers have been able to improve their products.